---------o0o---------
Hihi, như đầu bài đã nói bên trên đây là dự án dài hơi nên ko biết đến bao giờ nó xong.
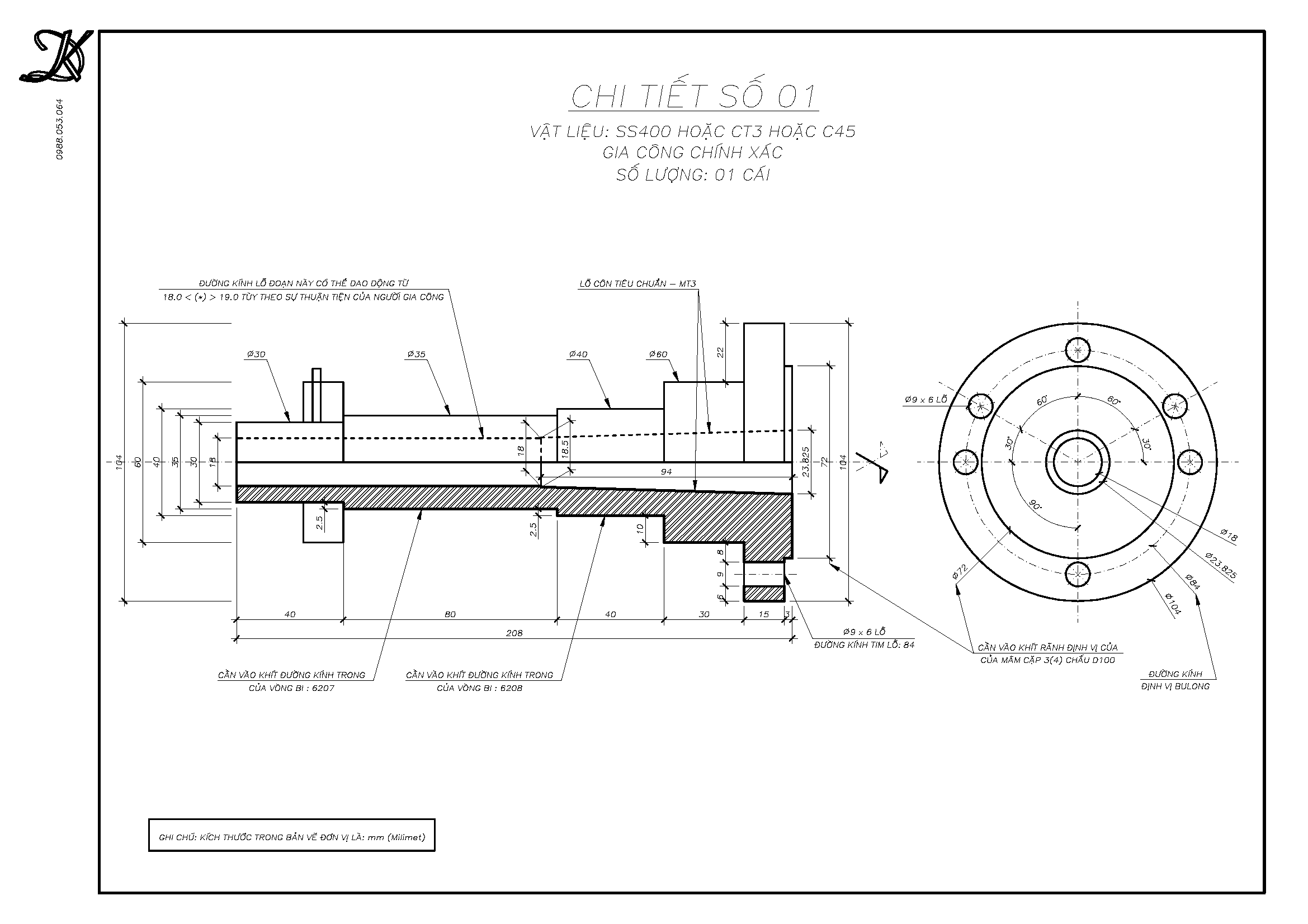
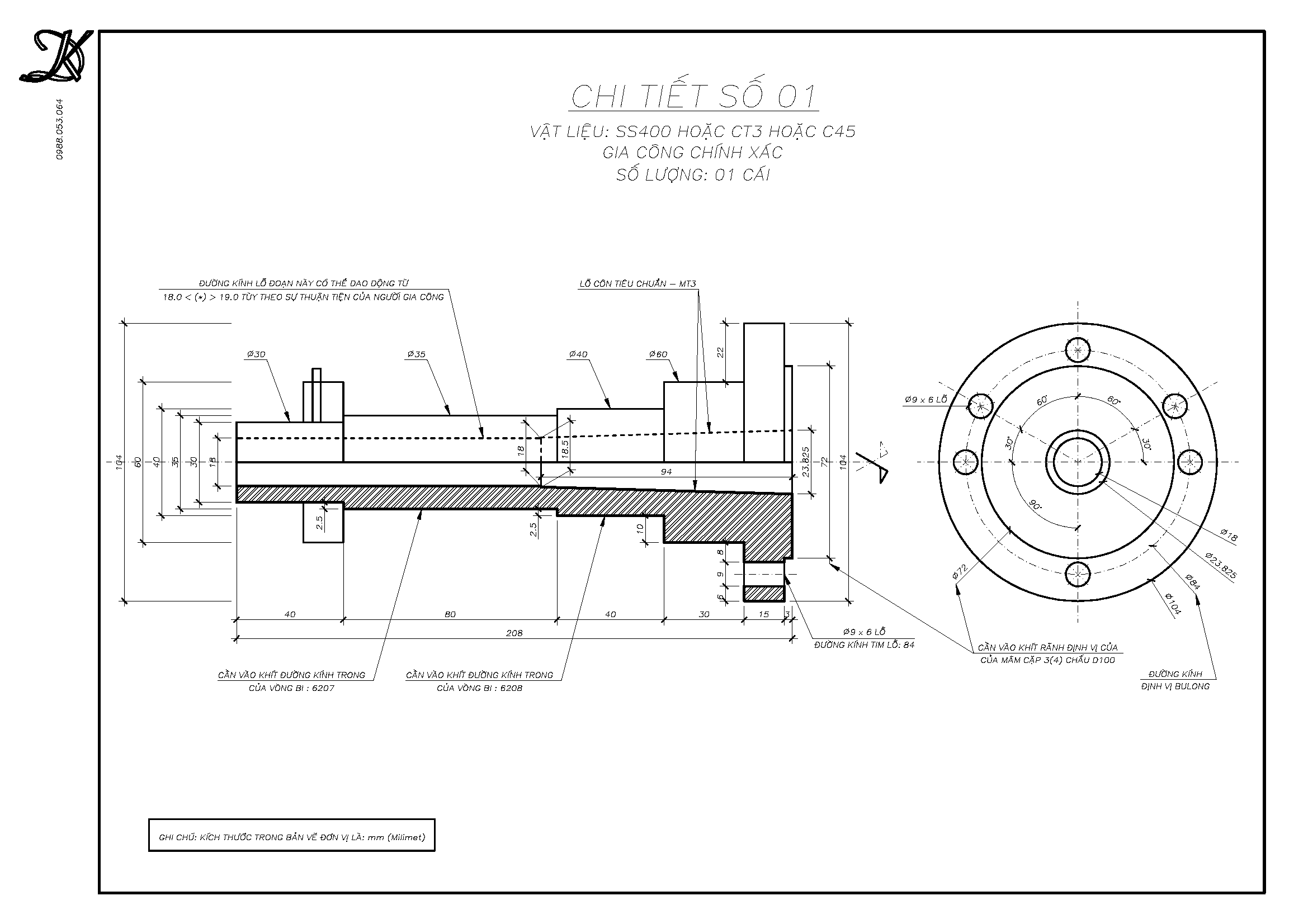
Cái bộ hộp số tính lấy làm ụ bắt mâm cặp em có đề cập đến trong "sheet 1" đem về ướm vào cái bộ combo ray trượt. Nhìn trước nhìn sau, nhìn ngang nhìn dọc nhìn thế nào cũng ko thấy nó đẹp được.
Nên quyết định đổi phương án.
Kiếm ụ bãi mua thì kiếm đâu ra, mà có thì cũng đâu chắc là vừa ý, giá cũng tùy tâm người bán.
Hay vẽ 01 cái theo ý mình đem nhờ gia công thử, chắc giá cũng ko đến nỗi cao lắm đâu.
Cái hình này em thấy ổn nhất trong mấy cái em vẽ đấy. kaka
---------o0o---------
(Hết sheet 02, lúc nào rảnh em đăng tiếp ah!)



để chia sẻ bài viết lên facebook
Recent Posts
Section Widget