
Và quá trình bên dưới
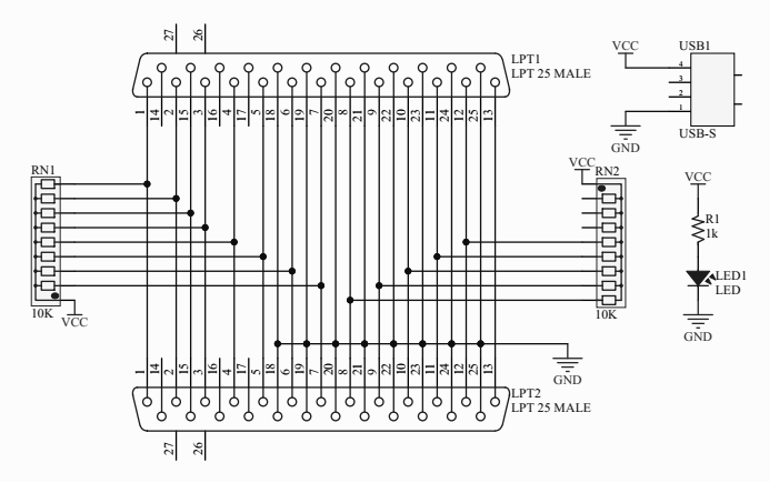
Đây là sản phẩm của em sau khi đọc bài viết này

để chia sẻ bài viết lên facebook.
Recent PostsGirls From Your City - No Verify - Anonymous Adult Dating
SecreLocal com
SecreLocal com Womens From Your City - Anonymous Adult
Girls In Your Town - No Verify - Anonymous Adult Dating
https://SecreLocal.com
Womens In Your Town - Anonymous Casual Dating
Womens In Your City - No Verify - Anonymous Adult Dating
SecreLocal com
SecreLocal com Girls In Your Town - Anonymous Adult
Womens From Your Town - No Verify - Anonymous Adult Dating
SecreLocal com
SecreLocal com Womens In Your Town - Anonymous Adult
Private Girls From Your City - No Verify - Anonymous Adult Dating
PrivateLadyEscorts com
PrivateLadyEscorts com Private Lady
Private Lady From Your Town - No Selfie - Anonymous Casual Dating
PrivateLadyEscorts com
PrivateLadyEscorts com Private Lady
Section Widget
Recent ThreadsGirls From Your City - No Verify - Anonymous Adult Dating
SecreLocal com
SecreLocal com Womens From Your City - Anonymous Adult
Girls In Your Town - No Verify - Anonymous Adult Dating
https://SecreLocal.com
Womens In Your Town - Anonymous Casual Dating
Womens In Your City - No Verify - Anonymous Adult Dating
SecreLocal com
SecreLocal com Girls In Your Town - Anonymous Adult
Womens From Your Town - No Verify - Anonymous Adult Dating
SecreLocal com
SecreLocal com Womens In Your Town - Anonymous Adult
Private Girls From Your City - No Verify - Anonymous Adult Dating
PrivateLadyEscorts com
PrivateLadyEscorts com Private Lady
Private Lady From Your Town - No Selfie - Anonymous Casual Dating
PrivateLadyEscorts com
PrivateLadyEscorts com Private Lady

