1. Chú ý: Các bạn nên tham khảo Nội quy trước khi viết bài (click vào liên kết bên dưới).
    * Nội quy và Thông báo diễn đàn CNCProVN.com
    * Nếu bạn thấy hứng thú với bài viết. Hãy dùng chức năng Share to facebook để chia sẻ bài viết lên facebook.

          
Trang 2 của 3 Đầu tiênĐầu tiên 123 CuốiCuối
Kết quả 21 đến 40 của 48

Chủ đề: xin các bác cứu giúp

  1. #21
    Thợ cả
    Ngày tham gia
    Jul 2014
    Bài viết
    3,392
    Cám ơn
    1,576
    Được cám ơn 1,032 lần
           ở 799 bài viết
    Trích dẫn Gửi bởi cnclaivung Xem bài viết
    cái sơ đồ phia trên đó anh Nam, nguồn nuôi là dây usb màu xanh lấy từ máy tính,
    hiện tại em bỏ luôn day chung trên bob , tháo hết các trục chỉ con X, thì bấm x vẫn quay 1 chiều du ko có dây chung?
    Tình trạng này thiếu dây chung chắc chắn nó vậy, đấu dây chung vào đi

  2. #22
    Thợ cả
    Ngày tham gia
    Feb 2014
    Bài viết
    1,715
    Cám ơn
    337
    Được cám ơn 540 lần
           ở 357 bài viết
    Bác chủ không làm thử theo mấy post của em à? Bác đổi dây đen sang vị trí em đánh dấu đỏ ở post trước xem thế nào?

    Nếu vẫn quay 1 chiều thì bác đảo 2 cái dây xanh, đỏ của trục X cho nhau.
    Lê Anh Tuấn - 0989.bốn không 8. 4 0 tám

  3. #23
    Nam Sờ Pín
    Ngày tham gia
    Nov 2013
    Bài viết
    6,623
    Cám ơn
    1,712
    Được cám ơn 3,655 lần
           ở 2,275 bài viết
    sợi dây đen em không biết cắm vào ground hay out 5V , theo manual của vexta thì nó là ground chứ không phải out 5V , chứ em biết chơi vào 5 V nó hiểu là xung chơi loạn xạ à. BoB này không cần nguồn riêng vẫn hoạt động được à ?
    Nguyễn Hoàng Nam
    n_h_n2002@yahoo.com DT: 0908415648

  4. #24
    Thợ cả
    Ngày tham gia
    Feb 2014
    Bài viết
    1,715
    Cám ơn
    337
    Được cám ơn 540 lần
           ở 357 bài viết
    Trích dẫn Gửi bởi Nam CNC Xem bài viết
    sợi dây đen em không biết cắm vào ground hay out 5V , theo manual của vexta thì nó là ground chứ không phải out 5V , chứ em biết chơi vào 5 V nó hiểu là xung chơi loạn xạ à. BoB này không cần nguồn riêng vẫn hoạt động được à ?
    Mấy dây 5V nối vào bob, bác chủ gộp tất lại nối vào dây đen bác ơi ).
    Lê Anh Tuấn - 0989.bốn không 8. 4 0 tám

  5. #25
    Nam Sờ Pín
    Ngày tham gia
    Nov 2013
    Bài viết
    6,623
    Cám ơn
    1,712
    Được cám ơn 3,655 lần
           ở 2,275 bài viết
    em chỉ biết dây 10+12 thì dây chung của tín hiệu và nối vào ground PC vì 9 là dir , 11 là step thì phải , ngày trước em có nối 5 V vào dây chung của 1 drive khác , nó nhiễu loạn xạ chạy rung tá lả , nói vào ground là êm thôi. Trên cổng tín hiệu của anpha lấy đâu ra dây nào 5V ??? em từ trước tới giờ xài có 4 dây 9,10,11,12 còn mấy dây arlarm chưa xài bao giờ ( cũng may chưa báo lỗi giữa đường )
    Nguyễn Hoàng Nam
    n_h_n2002@yahoo.com DT: 0908415648

  6. Thành viên đã cám ơn Nam CNC cho bài viết hữu ích này:


  7. #26
    Thợ cả cnclaivung's Avatar
    Ngày tham gia
    Dec 2014
    Bài viết
    1,393
    Cám ơn
    721
    Được cám ơn 153 lần
           ở 116 bài viết
    Trích dẫn Gửi bởi emptyhb Xem bài viết
    Bác chủ không làm thử theo mấy post của em à? Bác đổi dây đen sang vị trí em đánh dấu đỏ ở post trước xem thế nào?

    Nếu vẫn quay 1 chiều thì bác đảo 2 cái dây xanh, đỏ của trục X cho nhau.
    có bác ạ, nó quay rồi, đủ 2 chiều, nhưng cắm tiếp y vẫn ko quay, tháo x ra lấy y bỏ vào chổ đó nó cũng ko quay, em đang hàn chì dây thử lại, sợ do mình nối dây nó lõng,
    thợ mộc hàn sắt

  8. #27
    Thợ cả
    Ngày tham gia
    Feb 2014
    Bài viết
    1,715
    Cám ơn
    337
    Được cám ơn 540 lần
           ở 357 bài viết
    Trích dẫn Gửi bởi Nam CNC Xem bài viết
    em chỉ biết dây 10+12 thì dây chung của tín hiệu và nối vào ground PC vì 9 là dir , 11 là step thì phải , ngày trước em có nối 5 V vào dây chung của 1 drive khác , nó nhiễu loạn xạ chạy rung tá lả , nói vào ground là êm thôi. Trên cổng tín hiệu của anpha lấy đâu ra dây nào 5V ??? em từ trước tới giờ xài có 4 dây 9,10,11,12 còn mấy dây arlarm chưa xài bao giờ ( cũng may chưa báo lỗi giữa đường )
    Từ trước giờ dây chung driver em đều dùng 5V hết. Em chạy bình thường không thấy vấn đề gì.

    Nếu bác chủ muốn thử như bác Nam thì bác đấu dây đen đó vào 1 trong 2 cổng bên dưới 2 cổng em khoanh màu đỏ lúc trước. Trong mach3 chắc là cũng phải đổi step low active lại.
    Lê Anh Tuấn - 0989.bốn không 8. 4 0 tám

  9. #28
    Thợ bậc 6 conga's Avatar
    Ngày tham gia
    Oct 2014
    Đang ở
    Thanh Liêm-Hà Nam
    Bài viết
    412
    Cám ơn
    228
    Được cám ơn 84 lần
           ở 76 bài viết
    Trên bob mach3 còn chưa có dây đấu từ 5V vào Dir+ và Step+ mà
    Công Lãng Tử - Tel + Zalo: O98.115.68.58

  10. #29
    Thợ cả cnclaivung's Avatar
    Ngày tham gia
    Dec 2014
    Bài viết
    1,393
    Cám ơn
    721
    Được cám ơn 153 lần
           ở 116 bài viết
    báo cáo các, đúng như bác Tuấn, thuhanoi bảo , lôn chân gnd nó loạn tùm lum, em đấu sai cộng thêm dây điểu, mới phát hiện mấy sợi dây củ tháo máy nó bị oxi hóa nên ko nhận được tín hiệu, lúc ăn lúc không, do em mới test thử nên chưa mua dây mới, bây giờ tốt rồi, nhưng chưa biết nó ổn chưa, 3 trục đã chạy đồng thời trên một gcode, cái bob này nó ghi ở sau lưng 5vol out và gnd sat bên nên em đè chổ đó chit mãi nên nó loạn,
    cảm ơn các bác nhiều lắm, hic gà quá cũng khổ
    thợ mộc hàn sắt

  11. #30
    Thợ cả
    Ngày tham gia
    Jul 2014
    Bài viết
    3,392
    Cám ơn
    1,576
    Được cám ơn 1,032 lần
           ở 799 bài viết
    Vấn đề là phụ thuộc bác đấu dây trong cái jack như thế nào chứ
    Click vào ảnh để xem ảnh lớn hơn. 

Name:	24-06-2015 9-23-01 CH.jpg 
Views:	75 
Size:	31.0 KB 
ID:	8575
    @laivungcnc: giữ nguyên cái jack của trục X mà bác đã thử chạy OK, chỉ thay đổi cụm Driver+ mô tơ để tìm nguyên nhân
    Lần sửa cuối bởi thuhanoi, ngày 24-06-2015 lúc 09:26:41 PM.

  12. #31
    Thợ cả cnclaivung's Avatar
    Ngày tham gia
    Dec 2014
    Bài viết
    1,393
    Cám ơn
    721
    Được cám ơn 153 lần
           ở 116 bài viết
    Trích dẫn Gửi bởi Nam CNC Xem bài viết
    sợi dây đen em không biết cắm vào ground hay out 5V , theo manual của vexta thì nó là ground chứ không phải out 5V , chứ em biết chơi vào 5 V nó hiểu là xung chơi loạn xạ à. BoB này không cần nguồn riêng vẫn hoạt động được à ?
    chính xác anh Nam ơi, cắm vào nó nháy luôn mach3 đang mở reset, bấm 1 nút chạy luôn 2 tep. hic,
    thợ mộc hàn sắt

  13. #32
    Thợ cả
    Ngày tham gia
    Feb 2014
    Bài viết
    1,715
    Cám ơn
    337
    Được cám ơn 540 lần
           ở 357 bài viết
    Trích dẫn Gửi bởi thuhanoi Xem bài viết
    Vấn đề là phụ thuộc bác đấu dây trong cái jack như thế nào chứ
    Em đấu dây theo như hình sau:
    Click vào ảnh để xem ảnh lớn hơn. 

Name:	Capture.PNG 
Views:	0 
Size:	63.3 KB 
ID:	8576

    CW VÀ CCW em đấu chung với nhau và hướng dẫn bác chủ đấu với 5v, còn CW và CCW là tín hiệu Pul với Dir

    Không biết em dùng vậy có đúng không bác thuhanoi ơi? nếu đấu chung GND mà mượt hơn thì em sẽ thử


    Tạm thời bác chủ giải quyết được rồi, tiếp theo bác phải cài lại các thông số turning cho các trục trong mach3 đi.
    Lần sửa cuối bởi emptyhb, ngày 24-06-2015 lúc 09:34:24 PM.
    Lê Anh Tuấn - 0989.bốn không 8. 4 0 tám

  14. Thành viên đã cám ơn emptyhb cho bài viết hữu ích này:


  15. #33
    Thợ bậc 6 CKD's Avatar
    Ngày tham gia
    Nov 2013
    Bài viết
    6,681
    Cám ơn
    1,737
    Được cám ơn 5,330 lần
           ở 2,595 bài viết
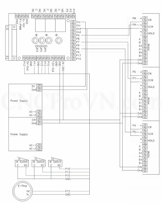
    Thưa cụ chủ thớt.
    1. Cụ xác định dây step+/-, dir+/- từ driver cho rỏ cái ạ. Như sơ đồ bác thuhanoi cung cấp phía trên => có 2 cách đấu. Đấu 11 & 9 chung hoặc 12 & 10 chung. Nếu 11 & 9 chung thì là active low, nếu 12 & 10 chung thì là active high.
    2. Cụ xác định xong thì đấu theo gợi ý của cái hình này nhé. Cái này là chính chủ, đã được post đầy trên forum, và cũng đã được nhiều bạn post lại mỗi khi có người hỏi về BOB. Chứng tỏ việc đấu nối này nhiều bạn đã thất bại. Cũng chứng tỏ nhiều người khi gặp sự cố thì.. chỉ post hỏi mà chẵng chịu tìm bài.

    Click vào ảnh để xem ảnh lớn hơn. 

Name:	BOB-01-Model.jpg 
Views:	7 
Size:	386.7 KB 
ID:	8577

    Theo gợi ý của bác emptyhb thì:
    - 2 dây xoắn lại với nhau là +. Vậy nếu đấu 2 dây này chung với nhau thì là + chung, => active low.
    - Theo ảnh của chủ thớt thì 2 dây xoắn với nhau, nhưng lại là 2 màu.. đấu vào pulse/dir nên là active high. Các dây còn lại đấu chung với nhau, và phải nối với gnd.
    - Theo ảnh của chủ thớt thì cái mớ dây màu đen đấu chung ấy.. chẵng đấu vào đâu thì phải.


    *** Đây cũng là lý do em rất ngại cung cấp BOB... dù rằng giờ em vẫn còn 5-6 cái
    DT: O7837277II - CKD's Youtube Channel - Facebook - Tổng hợp chủ đề
    17 ds 3, Thạnh Mỹ Lợi, Q2, tp.HCM

  16. Có 3 thành viên đã cám ơn CKD cho bài viết hữu ích này:


  17. #34
    Thợ cả
    Ngày tham gia
    Feb 2014
    Bài viết
    1,715
    Cám ơn
    337
    Được cám ơn 540 lần
           ở 357 bài viết
    Trích dẫn Gửi bởi CKD Xem bài viết
    Thưa cụ chủ thớt.

    Theo gợi ý của bác emptyhb thì:
    - 2 dây xoắn lại với nhau là +. Vậy nếu đấu 2 dây này chung với nhau thì là + chung, => active low.
    - Theo ảnh của chủ thớt thì 2 dây xoắn với nhau, nhưng lại là 2 màu.. đấu vào pulse/dir nên là active high. Các dây còn lại đấu chung với nhau, và phải nối với gnd.
    - Theo ảnh của chủ thớt thì cái mớ dây màu đen đấu chung ấy.. chẵng đấu vào đâu thì phải.


    *** Đây cũng là lý do em rất ngại cung cấp BOB... dù rằng giờ em vẫn còn 5-6 cái
    2 dây xoắn đấy là bác chủ xoắn. (2 dây xoắn của em thì bác ấy hàn vào dây màu đen của bác đấy rồi)

    Cách đấu của em thì bác chủ đấu cái dây màu đen của bác vào 5V , Active low trong mach3 như bác cài là đúng.
    Lê Anh Tuấn - 0989.bốn không 8. 4 0 tám

  18. #35
    Thợ cả
    Ngày tham gia
    Feb 2014
    Bài viết
    1,715
    Cám ơn
    337
    Được cám ơn 540 lần
           ở 357 bài viết
    Mà nói thật khi bác chủ up bài này lên em cũng lo lắm )
    Lê Anh Tuấn - 0989.bốn không 8. 4 0 tám

  19. #36
    Thợ cả
    Ngày tham gia
    Jul 2014
    Bài viết
    3,392
    Cám ơn
    1,576
    Được cám ơn 1,032 lần
           ở 799 bài viết
    Trích dẫn Gửi bởi emptyhb Xem bài viết
    Mà nói thật khi bác chủ up bài này lên em cũng lo lắm )
    Hiii, bửa nào nhớ ưu tiên bán cho mình để an tâm nhá, ngủ ngon tăng ký vì vậy phải có chế độ giảm giá nhé hehe
    Đùa vậy chứ có làm mới gặp, mới biết chứ, nhớ lại năm 2012 (hay1 chi đó) mua của bác 247 cái driver M54.. (quên rồi) không biết set vi bước là như thế nào, driver nóng hổi cũng lo
    Lần sửa cuối bởi thuhanoi, ngày 24-06-2015 lúc 09:58:27 PM.

  20. #37
    Thợ bậc 6 CKD's Avatar
    Ngày tham gia
    Nov 2013
    Bài viết
    6,681
    Cám ơn
    1,737
    Được cám ơn 5,330 lần
           ở 2,595 bài viết
    Trích dẫn Gửi bởi emptyhb Xem bài viết
    2 dây xoắn đấy là bác chủ xoắn. (2 dây xoắn của em thì bác ấy hàn vào dây màu đen của bác đấy rồi)

    Cách đấu của em thì bác chủ đấu cái dây màu đen của bác vào 5V , Active low trong mach3 như bác cài là đúng.
    Nếu đúng vậy thì dây chung ấy phải đấu vào +5V, là 1 trong 2 domino bìa. Trong cái ảnh của mình khiêu là Vcc
    DT: O7837277II - CKD's Youtube Channel - Facebook - Tổng hợp chủ đề
    17 ds 3, Thạnh Mỹ Lợi, Q2, tp.HCM

  21. #38
    Thợ cả cnclaivung's Avatar
    Ngày tham gia
    Dec 2014
    Bài viết
    1,393
    Cám ơn
    721
    Được cám ơn 153 lần
           ở 116 bài viết
    hic. em xin lỗi làm phiền các bác, em đấu lộn vào ngõ 5vol out của bob, thì như bác Nam nói nó hiểu là xung nên loạn tè le. còn dây chung thì bác tuấn đã làm sẳn em ko thây đổi, chỉ gộp 3 trục lại cho gọn 1 đường dây, nên thành dây màu đen, hiện tại đang test 3 trục đồng thời thấy chưa có hiện tượng lạ như hôm qua giật giật,
    đấu như sơ đồ bác CKD em cho vào vcc hết nên nó đã chạy
    Lần sửa cuối bởi cnclaivung, ngày 24-06-2015 lúc 10:00:39 PM.
    thợ mộc hàn sắt

  22. Thành viên đã cám ơn cnclaivung cho bài viết hữu ích này:


  23. #39
    Thợ cả
    Ngày tham gia
    Jul 2014
    Bài viết
    3,392
    Cám ơn
    1,576
    Được cám ơn 1,032 lần
           ở 799 bài viết
    Trích dẫn Gửi bởi cnclaivung Xem bài viết
    hic. em xin lỗi làm phiền các bác, em đấu lộn vào ngõ 5vol out của bob, thì như bác Nam nói nó hiểu là xung nên loạn tè le. còn dây chung thì bác tuấn đã làm sẳn em ko thây đổi, chỉ gộp 3 trục lại cho gọn 1 đường dây, nên thành dây màu đen, hiện tại đang test 3 trục đồng thời thấy chưa có hiện tượng lạ như hôm qua giật giật,
    Cung hỉ Cung hỉ chúc mừng chập chững bước đầu tiên trên con đường đau khổ (NamCnC)

  24. Thành viên đã cám ơn thuhanoi cho bài viết hữu ích này:


  25. #40
    Thợ cả cnclaivung's Avatar
    Ngày tham gia
    Dec 2014
    Bài viết
    1,393
    Cám ơn
    721
    Được cám ơn 153 lần
           ở 116 bài viết
    giúp thì giúp cho trót, các bác giúp em vụ song mã của step vexta luôn thể, em đấu 2 cái cùng kiểu day thì chạy tốt cả 2 chiều , nhưng chỉ cần đảo dây pul và dir 1 cái thì nó ko chịu ngược hướng nhau, nếu chạy vitme thì quá tốt, mà giờ em chạy thanh răng rồi,
    em sài UD 2115 gạt chế độ 1p 2/4 /5 on.
    nếu bấm phím _ thì 1 cái 1 quay 1 cái đứng, bấm + thì hai cái quay 1 hướng, bấm tiếp cái _ thì nó lại quay 1 cái
    thợ mộc hàn sắt

Trang 2 của 3 Đầu tiênĐầu tiên 123 CuốiCuối

Các Chủ đề tương tự

  1. [lyakhuong] - Máy CNC đầu tay mong các bác giúp đỡ
    Bởi lyakhuong trong diễn đàn Máy phay CNC
    Trả lời: 87
    Bài viết cuối: 13-09-2015, 07:36:12 PM
  2. các bác ai giúp em cái chấu này em cần
    Bởi cnclaivung trong diễn đàn Cần mua
    Trả lời: 3
    Bài viết cuối: 19-05-2015, 06:02:31 PM
  3. Chào các bác, nhờ các bác giúp đỡ về BOB Mach3 5 trục
    Bởi hardfarmer trong diễn đàn Board điều khiển khác
    Trả lời: 10
    Bài viết cuối: 28-11-2014, 04:26:03 PM
  4. các bác giúp em driver tamagawa AU92
    Bởi biết tuốt trong diễn đàn Driver Step motor
    Trả lời: 10
    Bài viết cuối: 22-08-2014, 11:08:15 PM
  5. Nhờ các bác tư vấn giúp!
    Bởi QUANG KG trong diễn đàn Máy cắt Plasma, Oxy-Gas CNC
    Trả lời: 4
    Bài viết cuối: 02-11-2013, 11:05:45 PM

Quyền viết bài

  • Bạn Không thể gửi Chủ đề mới
  • Bạn Không thể Gửi trả lời
  • Bạn Không thể Gửi file đính kèm
  • Bạn Không thể Sửa bài viết của mình
  •